◆ Модель: Y40 Y50 Y60 Y75 Y100 Y150 Y200 Y250
◆ Использование: Эта серия инструментов подходит для измерения давления жидкости, газа или пара, которая не имеет опасности взрыва, не кристаллизуется, не затвердевает и не оказывает коррозионного воздействия на медный и медный сплав.
◆ В практическом применении, в соответствии с особыми характеристиками различных средств массовой информации (таких как запрет на нефть, предотвращение пожара, коррозионная стойкость и т. Д.), Требования инструмента различны, поэтому эта серия инструментов выводит много соответствующих специальных инструментов, их номинальный диаметр, тип установки, нить разъема, уровень точности, диапазон измерения и т. Д.
1.1 Подходит для измерения давления легковоспламеняющейся и взрывной среды. Строго запрещено контактно с жирными легковоспламеняющимися веществами. Обезжиривающее лечение проводится до выхода из фабрики, и оно испытывается без смазки.
1.1 Манометр для кислорода серии YO
1.1.2 Манометр для водорода серии YH
1.1.3 Манометр для ацетилена серии YY
1.2 Используемые материалы устойчивы к коррозии среды, или инструмент не оказывает влияния на среду и гарантирует, что обнаруживающие элементы и интерфейсы чистые и свободные от жира.
1.2.1 Манометр для аммиака серии YA
1.2.2 Манометр для азота серии YDq
◆ Технические параметры:
|
Номер модели |
Y40 |
Y50 |
Y60 |
Y75 |
Y100 |
Y150 |
Y200 |
Y250 |
|
|
Номинальный диаметр |
Φ 40 |
Φ 50 |
Φ 60 |
Φ 75 |
Φ 100 |
Φ 150 |
Φ 200 |
Φ 250 |
|
|
Форма установки |
Ⅰ |
* |
* |
* |
* |
* |
* |
* |
* |
|
Ⅱ |
/ |
/ |
* |
/ |
* |
* |
* |
* |
|
|
Ⅲ |
* |
* |
* |
* |
/ |
/ |
/ |
/ |
|
|
Ⅳ |
/ |
/ |
* |
/ |
* |
* |
/ |
/ |
|
|
Ⅴ |
* |
* |
* |
* |
/ |
/ |
/ |
/ |
|
|
Ⅵ |
/ |
/ |
* |
* |
* |
* |
/ |
/ |
|
|
Разъем |
М10 × 1 |
M14 × 1.5 |
М20 × 1.5 |
||||||
|
Класс точности |
2.5 |
1.6 |
|||||||
|
Диапазон измерений ( МПА ) |
Вакантный -0.1 ~ 0 Вакуум давления: -0.1 ~ 0,06 -0,1 ~ 0,15 -0,1 ~ 0,3 -0,1 ~ 0.5 -0.1 ~ 0,9 -0,1 ~ 1.5 -0.1 ~ 2.4 Давление: 0 ~ 0,1 0 ~ 0,16 0 ~ 0,25 0 ~ 0,4 0 ~ 0.6 0 ~ 1 0 ~ 1.6 0 ~ 2,5 0 ~ 4 0 ~ 6 0 ~ 10 0 ~ 16 0 ~ 25 0 ~ 40 0 ~ 60 0 ~ 100 0 ~ 160 |
||||||||
|
Условия использования окружающей среды |
Температура : -40 ℃~ 70 ℃ |
||||||||
|
Степень виброустойчивости |
V·H· 3 |
||||||||
|
Материал трубки Бурдона |
QSN4-0.3 |
||||||||
|
Защитный класс |
IP54 、 IP65 |
||||||||
|
Стандарты соответствия |
GB/T 1226 |
||||||||
|
Примечание: 1. Совместные потоки могут быть настроены в соответствии с требованиями пользователя. |
|||||||||
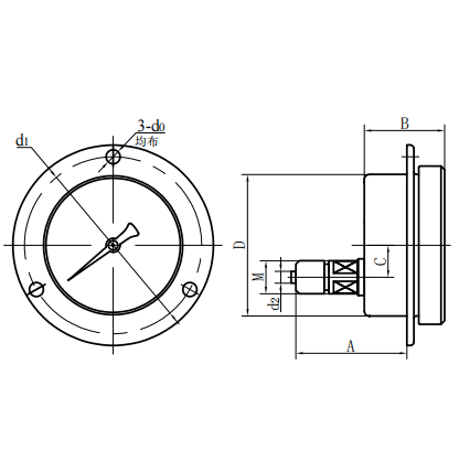
◆ Внешние размеры:
|
Радиальный прямой тип (ⅰ) |
Осевой эксцентричный прямой тип (ⅱ) |
|
Осевой концентрический прямой тип (III) |
Осевая эксцентричная вставка типа (IV) |
|
Осевой концентрический тип вставки (V) |
Радиальный выпуклый тип (vi) |
|
Номер модели |
Общие размеры ( мм ) |
|||||||
|
А |
B |
C |
D |
d0 |
d1 |
d2 |
М |
|
|
Y40 -Ⅰ |
38 |
25 |
8.5 |
Φ 41 |
/ |
/ |
Φ 3.5 |
М10 × 1 |
|
Y40 -Ⅲ |
45 |
26 |
/ |
Φ 41 |
/ |
/ |
Φ 3.5 |
М10 × 1 |
|
Y40 -Ⅴ |
38 |
26 |
/ |
Φ 41 |
Φ 3.5 |
Φ 53 |
Φ 3.5 |
М10 × 1 |
|
Y50 -Ⅰ |
50 |
29 |
9.5 |
Φ 52 |
/ |
/ |
Φ 4 |
М10 × 1 |
|
Y50 -Ⅲ |
54 |
29 |
/ |
Φ 52 |
/ |
/ |
Φ 4 |
М10 × 1 |
|
Y50 -Ⅴ |
47 |
29 |
/ |
Φ 52 |
Φ 4 |
Φ 64 |
Φ 4 |
М10 × 1 |
|
Y60 -Ⅰ |
54 |
30 |
12 |
Φ 60 |
/ |
/ |
Φ 5 |
M14 × 1.5 |
|
Y60 -Ⅱ |
63 |
34 |
18 |
Φ 60 |
/ |
/ |
Φ 5 |
M14 × 1.5 |
|
Y60 -Ⅲ |
58 |
30 |
/ |
Φ 60 |
/ |
/ |
Φ 5 |
M14 × 1.5 |
|
Y60 -Ⅳ |
45 |
34 |
18 |
Φ 60 |
Φ 5 |
Φ 75 |
Φ 5 |
M14 × 1.5 |
|
Y60 -Ⅴ |
45 |
34 |
/ |
Φ 60 |
Φ 5 |
Φ 75 |
Φ 5 |
M14 × 1.5 |
|
Y60 -Ⅵ |
54 |
30 |
12 |
Φ 60 |
Φ 5 |
Φ 75 |
Φ 5 |
M14 × 1.5 |
|
Y75 -Ⅰ |
62 |
31 |
10 |
Φ 75 |
/ |
/ |
Φ 5 |
M14 × 1.5 |
|
Y75 -Ⅲ |
54 |
32 |
/ |
Φ 75 |
/ |
/ |
Φ 5 |
M14 × 1.5 |
|
Y75 -Ⅴ |
54 |
32 |
/ |
Φ 75 |
Φ 5 |
Φ 91 |
Φ 5 |
M14 × 1.5 |
|
Y75 -Ⅵ |
62 |
32 |
10 |
Φ 75 |
Φ 5 |
Φ 91 |
Φ 5 |
M14 × 1.5 |
|
Y100 -Ⅰ |
89 |
44 |
17 |
Φ 100 |
/ |
/ |
Φ 6 |
М20 × 1.5 |
|
Y100 -Ⅱ |
83 |
44 |
30 |
Φ 100 |
/ |
/ |
Φ 6 |
М20 × 1.5 |
|
Y100 -Ⅳ |
68 |
44 |
30 |
Φ 100 |
Φ 6 |
Φ 118 |
Φ 6 |
М20 × 1.5 |
|
Y100 -Ⅵ |
89 |
44 |
18 |
Φ 100 |
Φ 6 |
Φ 118 |
Φ 6 |
М20 × 1.5 |
|
Y150 -Ⅰ |
115 |
49 |
17 |
Φ 150 |
/ |
/ |
Φ 6 |
М20 × 1.5 |
|
Y150 -Ⅱ |
88 |
49 |
55 |
Φ 150 |
/ |
/ |
Φ 6 |
М20 × 1.5 |
|
Y150 -Ⅳ |
85 |
49 |
55 |
Φ 150 |
Φ 6 |
Φ 165 |
Φ 6 |
М20 × 1.5 |
|
Y150 -Ⅵ |
115 |
49 |
18 |
Φ 150 |
Φ 6 |
Φ 165 |
Φ 6 |
М20 × 1.5 |
|
Y200 -Ⅰ |
140 |
53 |
20 |
Φ 200 |
/ |
/ |
Φ 6 |
М20 × 1.5 |
|
Y200 -Ⅱ |
92 |
53 |
53 |
Φ 200 |
/ |
/ |
Φ 6 |
М20 × 1.5 |
|
Y250 -Ⅰ |
165 |
53 |
20 |
Φ 250 |
/ |
/ |
Φ 6 |
М20 × 1.5 |
|
Y250 -Ⅱ |
92 |
53 |
53 |
Φ 250 |
/ |
/ |
Φ 6 |
М20 × 1.5 |
English
русский
Español
عربى

































